The accumulator fixing clamp is a professional device specially designed for fixing the accumulator. It has the characteristics of compact structure, flexible connection and beautiful appearance. The company's products are divided into two types: NX and NXJ.
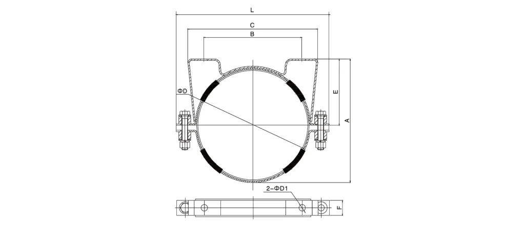
model | A | B | C | ΦD | ΦD1 | E | F | L | Equipped with accumulator model | Weight (Kg) |
NX-KG/Φ89 | 112 | 76 | 110 | Φ89 | Φ9 | 62.5 | 20 | 150 | NXQ-0.4L~0.63L | 0.3 |
NX-KG/Φ114 | 137 | 100 | 138 | Φ114 | Φ9 | 75 | 20 | 176 | NXQ-1L | 0.4 |
NX-KG/Φ152 | 177 | 126 | 186 | Φ152 | Φ11 | 96 | 20 | 212 | NXQ-1.6L~6.3L | 0.5 |
NX-KG/Φ219 | 248 | 196 | 260 | Φ219 | Φ13 | 133 | 30 | 306 | NXQ-10L~40L | 1.1 |
NX-KG/Φ299 | 328 | 276 | 350 | Φ299 | Φ13 | 173 | 30 | 385 | NXQ-20L~100L | 1.5 |
NX-KG/Φ351 | 396 | 330 | 405 | Φ351 | Φ15 | 212 | 40 | 442 | NXQ-63L~160L |
|
NX-KG/Φ426 | 456 | 403 | 478 | Φ426 | Φ15 | 237 | 40 | 518 | NXQ-100L~250L |
3. Ordering instructions
① The full name of the model code must be stated when ordering, such as: the accumulator has a nominal volume of 25L and a diameter of 0299. Clamp: NX-KG/Φ299. (Include rubber pad)
② If there are special requirements for the clamp, please consult with our company.
③ The company reserves the right to change the design without prior notice.